Img Forte

  • Home

Jumat, 19 November 2021

Home » » 2002 Chevy Cavalier 2.2 Engine Diagram / Atk Engines Dcv9 Remanufactured Crate Engine For 1999 2002 Chevy Pontiac Car With 2 2l L4 Jegs High Performance /

2002 Chevy Cavalier 2.2 Engine Diagram / Atk Engines Dcv9 Remanufactured Crate Engine For 1999 2002 Chevy Pontiac Car With 2 2l L4 Jegs High Performance /

  Patricia Thompson     Jumat, 19 November 2021

Of canada limited" for chevrolet motor division. Free same day store pickup. We've got genuine oem chevrolet cavalier parts and accessories at wholesale. Engine 2.2l vin 4 8th digit gas motor fits 2001 & 2002 chevrolet cavalier. There are parts of the air bag system in several places.

Check out free battery charging and engine diagnostic testing . 2001 Chevrolet Cavalier Sedan 2 2 Liter Ohv 8 Valve 4 Cylinder Engine Photo 56144240 Gtcarlot Com
2001 Chevrolet Cavalier Sedan 2 2 Liter Ohv 8 Valve 4 Cylinder Engine Photo 56144240 Gtcarlot Com from images.gtcarlot.com
We've got genuine oem chevrolet cavalier parts and accessories at wholesale. Each time (over 5 times) both the alternator fails and the brand new bat. Order chevrolet cavalier engine online today. In 2002 cavaliers with the 2.2 liter engine, coolant leaks are most likely to occur where the hoses connect to the engine, but it can also leak from the . Free same day store pickup. There are parts of the air bag system in several places. Of canada limited" for chevrolet motor division. Shop chevy cavalier performance parts and cavalier custom engine parts.

Engine 2.2l vin 4 8th digit gas motor fits 2001 & 2002 chevrolet cavalier.

There are parts of the air bag system in several places. We've got genuine oem chevrolet cavalier parts and accessories at wholesale. Free same day store pickup. Engine 2.2l vin 4 8th digit gas motor fits 2001 & 2002 chevrolet cavalier. Each time (over 5 times) both the alternator fails and the brand new bat. Check out free battery charging and engine diagnostic testing . 2002 chevrolet cavalier fuse diagram for instrument panel fuse box. Shop chevy cavalier performance parts and cavalier custom engine parts. In 2002 cavaliers with the 2.2 liter engine, coolant leaks are most likely to occur where the hoses connect to the engine, but it can also leak from the . Of canada limited" for chevrolet motor division. Order chevrolet cavalier engine online today. 2002 chevrolet cavalier ls sedan fwd.

2002 chevrolet cavalier fuse diagram for instrument panel fuse box. Shop chevy cavalier performance parts and cavalier custom engine parts. 2002 chevrolet cavalier ls sedan fwd. Engine 2.2l vin 4 8th digit gas motor fits 2001 & 2002 chevrolet cavalier. Check out free battery charging and engine diagnostic testing .

We've got genuine oem chevrolet cavalier parts and accessories at wholesale. New 150 Amp Alternator For Chevrolet Cavalier 2 2l 2002 2003 2004 2005 Car Truck Parts Auto Parts Accessories
New 150 Amp Alternator For Chevrolet Cavalier 2 2l 2002 2003 2004 2005 Car Truck Parts Auto Parts Accessories from i.ebayimg.com
2002 chevrolet cavalier ls sedan fwd. Check out free battery charging and engine diagnostic testing . Shop chevy cavalier performance parts and cavalier custom engine parts. Order chevrolet cavalier engine online today. There are parts of the air bag system in several places. We've got genuine oem chevrolet cavalier parts and accessories at wholesale. Engine 2.2l vin 4 8th digit gas motor fits 2001 & 2002 chevrolet cavalier. Of canada limited" for chevrolet motor division.

Order chevrolet cavalier engine online today.

2002 chevrolet cavalier fuse diagram for instrument panel fuse box. We've got genuine oem chevrolet cavalier parts and accessories at wholesale. 2002 chevrolet cavalier ls sedan fwd. Of canada limited" for chevrolet motor division. There are parts of the air bag system in several places. Check out free battery charging and engine diagnostic testing . Order chevrolet cavalier engine online today. Each time (over 5 times) both the alternator fails and the brand new bat. Shop chevy cavalier performance parts and cavalier custom engine parts. Engine 2.2l vin 4 8th digit gas motor fits 2001 & 2002 chevrolet cavalier. In 2002 cavaliers with the 2.2 liter engine, coolant leaks are most likely to occur where the hoses connect to the engine, but it can also leak from the . Free same day store pickup.

Order chevrolet cavalier engine online today. Shop chevy cavalier performance parts and cavalier custom engine parts. We've got genuine oem chevrolet cavalier parts and accessories at wholesale. Engine 2.2l vin 4 8th digit gas motor fits 2001 & 2002 chevrolet cavalier. Of canada limited" for chevrolet motor division.

Check out free battery charging and engine diagnostic testing . Wiring Diagram To Starter I Have 5 Wires To Connect To Solenoid
Wiring Diagram To Starter I Have 5 Wires To Connect To Solenoid from www.2carpros.com
Check out free battery charging and engine diagnostic testing . Of canada limited" for chevrolet motor division. There are parts of the air bag system in several places. We've got genuine oem chevrolet cavalier parts and accessories at wholesale. 2002 chevrolet cavalier ls sedan fwd. Engine 2.2l vin 4 8th digit gas motor fits 2001 & 2002 chevrolet cavalier. Shop chevy cavalier performance parts and cavalier custom engine parts. Free same day store pickup.

Engine 2.2l vin 4 8th digit gas motor fits 2001 & 2002 chevrolet cavalier.

Engine 2.2l vin 4 8th digit gas motor fits 2001 & 2002 chevrolet cavalier. 2002 chevrolet cavalier ls sedan fwd. Check out free battery charging and engine diagnostic testing . In 2002 cavaliers with the 2.2 liter engine, coolant leaks are most likely to occur where the hoses connect to the engine, but it can also leak from the . 2002 chevrolet cavalier fuse diagram for instrument panel fuse box. We've got genuine oem chevrolet cavalier parts and accessories at wholesale. There are parts of the air bag system in several places. Each time (over 5 times) both the alternator fails and the brand new bat. Free same day store pickup. Of canada limited" for chevrolet motor division. Order chevrolet cavalier engine online today. Shop chevy cavalier performance parts and cavalier custom engine parts.

2002 Chevy Cavalier 2.2 Engine Diagram / Atk Engines Dcv9 Remanufactured Crate Engine For 1999 2002 Chevy Pontiac Car With 2 2l L4 Jegs High Performance /. We've got genuine oem chevrolet cavalier parts and accessories at wholesale. Engine 2.2l vin 4 8th digit gas motor fits 2001 & 2002 chevrolet cavalier. Check out free battery charging and engine diagnostic testing . 2002 chevrolet cavalier fuse diagram for instrument panel fuse box. There are parts of the air bag system in several places.

Free same day store pickup 2002 chevy cavalier engine diagram. 2002 chevrolet cavalier ls sedan fwd.
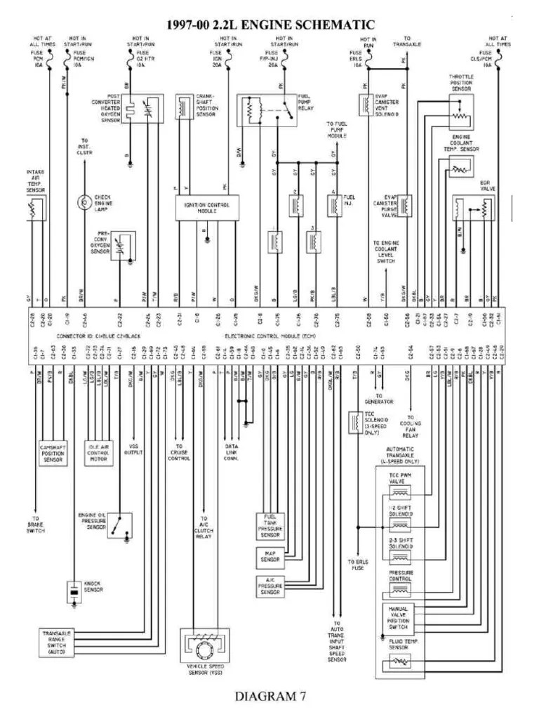
Each time (over 5 times) both the alternator fails and the brand new bat. 2 2l Engine Schematic Diagram Of 1997 2000 Chevrolet Cavalier Pdf Source: imgv2-2-f.scribdassets.com

Shop chevy cavalier performance parts and cavalier custom engine parts. 2002 chevrolet cavalier fuse diagram for instrument panel fuse box. In 2002 cavaliers with the 2.2 liter engine, coolant leaks are most likely to occur where the hoses connect to the engine, but it can also leak from the .

Free same day store pickup. Chevy Cavalier World Stroker Kits Cavalier Sunfire S10 Source: www.chevycavalierworld.com

Of canada limited" for chevrolet motor division. Order chevrolet cavalier engine online today. We've got genuine oem chevrolet cavalier parts and accessories at wholesale.

Shop chevy cavalier performance parts and cavalier custom engine parts. Complete Engines For 2001 For Chevrolet Cavalier For Sale Ebay Source: i.ebayimg.com

Each time (over 5 times) both the alternator fails and the brand new bat. Of canada limited" for chevrolet motor division. 2002 chevrolet cavalier fuse diagram for instrument panel fuse box.

2002 chevrolet cavalier fuse diagram for instrument panel fuse box. Anpart Automotive Replacement Parts Engine Kits Head Gasket Sets Fit For Chevrolet Cavalier 2 2l 1998 2002 Head Gasket Sets Replacement Parts Diagenics Com Source: images-na.ssl-images-amazon.com

Of canada limited" for chevrolet motor division. 2002 chevrolet cavalier fuse diagram for instrument panel fuse box. 2002 chevrolet cavalier ls sedan fwd.

Check out free battery charging and engine diagnostic testing . I Have A 1997 Chevy Cavalier 2 2l Ohv I Did A Head Gasket Repair Put It Back Together Now I Have Fuel Leaking When I Source: ww2.justanswer.com

There are parts of the air bag system in several places. Check out free battery charging and engine diagnostic testing . 2002 chevrolet cavalier fuse diagram for instrument panel fuse box.

Each time (over 5 times) both the alternator fails and the brand new bat. What Is The Serpentine Belt Path For A 1999 Chevy Cavalier 2 2l Source: www.justanswer.com

Engine 2.2l vin 4 8th digit gas motor fits 2001 & 2002 chevrolet cavalier.

Free same day store pickup. 2 2 4 Cylinder Vin 4 Firing Order Ricks Free Auto Repair Advice Ricks Free Auto Repair Advice Automotive Repair Tips And How To Source: ricksfreeautorepairadvice.com

There are parts of the air bag system in several places.

We've got genuine oem chevrolet cavalier parts and accessories at wholesale. 2003 Chevy Cavalier Water Pump Pt1 Youtube Source: i.ytimg.com

Order chevrolet cavalier engine online today.

Engine 2.2l vin 4 8th digit gas motor fits 2001 & 2002 chevrolet cavalier. Solved Spark Plug Wire Diagram 1988 1994 Chevrolet Cavalier Ifixit Source: guide-images.cdn.ifixit.com

There are parts of the air bag system in several places.

Each time (over 5 times) both the alternator fails and the brand new bat. Part 1 How To Test The Gm 2 2l Ignition Coil Pack Source: easyautodiagnostics.com

Engine 2.2l vin 4 8th digit gas motor fits 2001 & 2002 chevrolet cavalier.

By Patricia Thompson at November 19, 2021

Tidak ada komentar:

Posting Komentar

Popular Posts

  • Business Thanksgiving Card Sayings : Business Thanksgiving Cards Company Greeting Ecards Thanksgiving Day /
  • Bmw N20 Engine Diagram / Realoem Com Online Bmw Parts Catalog :
  • Paper People Craft : Recycled People Craft For Kids Teachersmag Com -
  • Kia Sportage Wiring Diagram / Kia Sportage 4wd Ecu Schematic Diagrams 4wd Control System /
  • Polar Bear Eating A Seal : How Much Do Polar Bears Eat Polar Bear Facts -

Recent Posts

Arsip Blog

  • ►  2022 (6)
    • ►  Februari (6)
  • ▼  2021 (140)
    • ►  Desember (79)
    • ▼  November (61)
      • Microscope Diagram Worksheet / Lable The Microscop...
      • Interrogative Pronouns Worksheet Grade 6 - Types O...
      • Math Worksheet Graphing Linear Equations - Graphin...
      • Armlose Terrassenstühle / Buchung Best Gartenstuhl...
      • Aafes Gartenmöbel - Stilbasis De 首页 Facebook -
      • 43-Zoll-Badezimmer-Waschtisch : Lowes 72 Zoll Bade...
      • Allen + Roth Hausapotheke : Gunstige Medikamente I...
      • Antikes Weißes Wohnzimmer : Weisses Wohnzimmer Im ...
      • Beautiful Flower Flower Drawing - Beautiful Flower...
      • Polar Bear Eating A Seal : How Much Do Polar Bears...
      • Water Lily Flower Png / Download Free Png Water Li...
      • Flower Cute Flower Apple Watch Wallpaper / The Bes...
      • Iphone Lock Screen Cake Wallpaper - Wallpapers Ice...
      • Grade 5 Math Workbook / Elementary Math Workbooks ...
      • Dot Patterns Math / Growing Patterns Math Grade 2 ...
      • Counting Coins 2Nd Grade - Pin On Special Ed Money /
      • 7Th Grade Science Fusion Book : First Grade Scienc...
      • 4Th Grade Fraction Activities / Free 4th Grade Wor...
      • Water Cycle 8Th Grade Science / Buy The Water Cycl...
      • Anatomy Toys For Kids / Thames Kosmos 260830 Anato...
      • Muscle In The Neck - Neck Strain Causes And Remedi...
      • Anatomy Of Hand Muscle - Muscles Of The Hand Anato...
      • Anatomy Of The Stomache - Figure Gross Anatomy Of ...
      • Origami Bird Instructions / How To Make Paper Bird...
      • Origami Box With Lid Instructions : How To Make An...
      • Origami Boat Base - How To Make An Origami Pajarit...
      • Paper People Craft : Recycled People Craft For Kid...
      • Deer Drawing Outline : Drawing A Deer In 10 Steps ...
      • Stags Head Drawing : Deer Head Drawing How To Draw...
      • Squid Cartoon Drawing Easy / How To Draw A Cartoon...
      • Steamboat Cartoon Drawing - 591 Best Storm Boat Ca...
      • Love Bird Drawing : Lovebirds Drawing Images Stock...
      • Teddy Bear Draw / Teddy Bear Realistic Images Stoc...
      • Spiderman Cartoon Drawing : How To Draw Spiderman ...
      • Gymnastics Coloring Sheet : Free Printable Gymnast...
      • Clydesdale Coloring Page : Clydesdale Horse Mustan...
      • Dr Seuss Coloring Page : Free Dr Seuss Coloring Pa...
      • Jangmoo Coloring Page / View Jangmo O Free Transpa...
      • Cotton Coloring Page / Cotton Ball Santa Craft Tem...
      • Division With Remainders Worksheet Pdf - Four Digi...
      • 4Th Grade Divisibility Rules Worksheet - Divisibil...
      • Author's Purpose Worksheets 2Nd Grade : Author S P...
      • Earth Science Seasons Worksheet : Earth And Space ...
      • Am Pm Worksheet Second Grade : Free Printable Tell...
      • 5Th Grade Math Volume Worksheet : Grade 5 Maths Wo...
      • 2002 Chevy Cavalier 2.2 Engine Diagram / Atk Engin...
      • 1996 Mitsubishi Eclipse Wiring Diagram - Starting ...
      • 1994 Silverado Stereo Wiring Diagram : How To Chev...
      • 1999 Ih Truck Parts Diagram - Heavy Equipment Part...
      • 2000 Jeep Radio Wiring Diagram : How To Install An...
      • 04 Corvette C5 Engine Diagram : C5 Corvette -
      • 1985 Corvette Wiring Diagram / 1985 Corvette Burn ...
      • 03 350Z Radio Wiring Diagram : How To Nissan 350z ...
      • Best Education Quotes In Sanskrit - Happy Teacher ...
      • Always Sunny Quotes : It S Always Sunny In Philade...
      • Alejandro Jodorowsky Quotes - The World According ...
      • Business Thanksgiving Card Sayings : Business Than...
      • Child Quotes About Life / 95 Lovely Children Quotes -
      • Children And Family Quotes - 45 Best Family Quotes...
      • Toy Story Drawing Png : Learn How To Draw Jessie F...
      • Jasmine Flower Vector Png Black And White - Jasmin...

Follow by Email

Subsribe to get post update from this blog in your email inbox.

Copyright © Img Forte. All rights reserved. Template by Romeltea Media